山東萬象環境科技有限公司
聯系人:毛經理
銷售電話:15666889815
銷售QQ:1950883583
公司地址:山東省濰坊高新區新城街道玉清社區光電路155號濰坊高新區光電產業加速器(一期)1號樓301

聯系人:毛經理
銷售電話:15666889815
銷售QQ:1950883583
公司地址:山東省濰坊高新區新城街道玉清社區光電路155號濰坊高新區光電產業加速器(一期)1號樓301

水質浮標監測站又稱浮標水質監測站,浮標水質監測設備,水質浮標監測站是一款安裝在水環境中使用的水質監測設備,可以漂浮在水面環境中使用,能夠實時監測水溫、pH值、溶解氧、濁度、氨氮、重金屬含量等水質參數,還能將監測到的水質參數實時上傳水質監測平臺顯示,為有關部門的水質管理提供數據支持
詳細產品介紹及技術參數
1.水質浮漂監測站SFA集數據采集、存儲、傳輸和管理于一體的無人值守的采集系統。它在工農業生產、旅游、城市環境監測、地質災害、防洪、供水調度、電站水庫水情管理等為目的水文自動測報系統;功能強大的上位機軟件可遠程觀測實時水雨情信息,具有數據庫、報表、下載等功能,用戶還可利用該功能完善的氣象軟件對記錄的數據作進一步的處理分析。
2.SFA03款浮標是由水質傳感器(水溫、電導率、PH)、數據采集儀、通訊系統、供電系統、整體 支架、水質監測平臺六部分組成。同時可擴展溶解氧、氨氮、 濁度、COD,多項水質要素。數據采集儀具有數 據采集、實時時鐘、數據定時存儲、參數設定和標準2G/4G(GPRS)通信功能。
二、產品特點
1.易部署:各類型探頭進行高度集成,安裝方便;提供免費云平臺服務,系統快速上線;
2.易維護:設備安裝后,自行工作即可,無需人工值守,也可以通過遠程監控的方式保障設備的正常運行;
3.易擴展:傳感器探頭均使用統一的通信協議,可以快速對接原設備,快速擴展監測參數;
4.低功耗:設備可以實現低功耗狀態下,長時間運行,增加設備使用的便利性;
5.實時性:設備監測到的數據實時傳輸至云平臺,提升環境數據反饋的及時性。
三、技術參數
1. 主體參數
產品名稱 | 描述 |
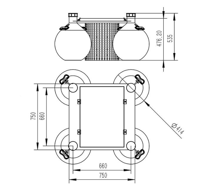
環境水質監測浮標 | 可實時實現多路參數在線監測。 可實現電池電量監控。 可實現云平臺數據監控、數據推送、 數據的存儲和報警功能;數據的無線發射功能。 峰值功耗為 5W;傳感器功耗 0.25W左右/只。 外形尺寸:750mm*750mm*535mm。浮球直徑414mm 重量:22kg |
采集器數據采集 | 運行可靠,抗干擾,可集成多路RS485/MODBUS-RTU 從站設備 |
采集器數據輸出 | 1 路 Rs485/JSON協議輸出 |
電池 | 鋰電池 12VDC,20AH(默認) |
太陽能電池板 | 22.1V/50W(默認) |
供電能力 | 定制選型;陰雨天間歇工作 5天以上 |
位置指示 (選配) | 警示燈;GPS 定位; |
監測平臺 | 云平臺;手機/電腦多終端登錄 |
防護罩 | 304 不銹鋼濾筒防護罩 |
浮體 | 直徑414mm 球形浮體*4工程塑料 |
2.可選配傳感器的主要參數
| 序號 | 名稱 | 測量范圍 | 測量原理 | 測量精度 | 是否標配 | 備注 |
| 1 | 溫度 | 0~50℃ | 高精度數字傳感器 | ±0.3℃ | ? | |
| 2 | pH | 0~14(ph) | 電化學(鹽橋) | ± 0.1PH | ? | |
| 3 | ORP | -1500mv~1500mv | 電化學(鹽橋) | ± 6mv | ||
| 4 | 電導率 | 0~5000uS/cm | 接觸式電極法 | ± 1.5% | ? | |
| 5 | 濁度 | 0~40NTU(低濁) | 散射光法 | ± 1% | 低濁可定制 | |
| 0~1000NTU(中濁) | 散射光法 | ± 1% | 中濁可定制 | |||
| 0~3000NTU(高濁) | 散射光法 | ± 1% | 默認發 | |||
| 6 | 溶解氧 | 0~20mg/L | 熒光壽命法 | ± 2% | ||
| 7 | 氨氮 | 0~100mg/l | 離子選擇電極法 | ±1mg | ||
| 8 | cod | 0~500mg/ L | UV254 吸收法 | ±5% | 默認發、cod濁度一體 | |
| 濁度 | 0~400NTU | 散射光法 | ± 1% | |||
| 9 | 懸浮物 | 0~2000mg/L | 散射光法 | ±5%(取決于污泥同質性) | ||
| 10 | 葉綠素 | 0~400ug/L | 熒光法 | R2>0.999 |
四、產品尺寸圖

五、設備安裝要求
1.遠離大功率無線電發射源
2.遠離高壓輸電線和微波無線電傳送通道
3.盡量靠近數據傳輸網絡
4.遠離強電磁干擾
六、云平臺介紹
1.CS架構軟件平臺,支持手機、PC瀏覽器直接觀測.無需額外安裝軟件。
2.支持多帳號、多設備登錄
3.支持實時數據展示與歷史數據展示儀表板
4.云服務器.云數據存儲,穩定可靠,易于擴展,負載均衡。
5.支持短信報警及閾值設置
6.支持地圖顯示、查看設備信息。
7.支持數據曲線分析
8.支持數據導出表格形式
9.支持數據轉發,HJ-212協議,TCP轉發,http協議等。
10.支持數據后處理功能
11.支持外置運行javascript腳本
WX-S15S水質葉綠素傳感器是一種專門用來檢測葉綠素含量的設備,它利用光學原理,通過測量水體中葉綠素的吸光度或熒光強度,來準確判斷水體中葉綠素的含量。與傳統的化學分析方法相比,葉綠素傳感器具有操作簡便、快速準確、實時在線監測等優點,成為了現代水質監測的重要工具。葉綠素傳感器能夠實時在線監測水體中的葉綠素含量,為水質監測提供及時、準確的數據支持。...
WX-LSZ05立桿式水質在線監測站最核心的能力,在于它能將水域的“健康狀況”轉化為清晰可查的數據,并實現遠程管理。它就像一位全天候在崗的水質管家,無需人工時刻盯守,就能自主完成監測與數據傳輸工作。相關管理人員即便身處辦公室,通過平臺端也能隨時查看遠在千里之外的水質情況,還能對監測設備進行遠程調控,徹底打破了時間與空間的限制,讓水質管理變得高效又便捷...
WX-LDSW02水雨情監測系統是一種現代智能化的監測系統,不同于之前的人工監測方式,它不需要大量人員到現場,觀測精度高,輕松滿足實時監測的需求,可以實現水文信息的實時采集、傳輸、分析和預警,為水資源管理提供科學決策依據。來看一下水雨情監測系統的具體功能:實時采集水位、雨量等水文信息,再將采集來的信息傳輸至云平臺,可以根據水文信息的分析結果,進行洪水、干旱、水污染等預警。...
WX-ZS06六參數水質在線分析儀是一種能夠實時、自動地監測水體中各種物理、化學及生物指標的先進設備。它集成了傳感器技術、自動化控制技術、數據分析與處理技術于一體,能夠精準測量水中的溶解氧、pH值、濁度、氨氮、總磷、總氮等關鍵參數,甚至能夠檢測出水中的重金屬離子及有機污染物含量。這些數據的即時反饋,為水質管理...
WX-QSZ06取水水質在線監測系統最大的優勢在于實時性,徹底擺脫了“先取樣、后檢測、再反饋”的繁瑣流程。以前檢測取水水質,往往需要人工采集水樣后送往專門場所檢測,耗時久且無法同步掌握水質動態,容易在檢測間隙出現水質突變而遺漏風險。在線監測系統能全程同步監測,水質變化即時反饋,讓工作人員第一時間掌握取水狀態,大幅提升風險處置效率。...
在當下這個環境問題日益凸顯的時代,水質監測成為了保障水資源安全、維護生態平衡的關鍵環節。隨著科技的不斷進步,微型水質監測系統應運而生,以其小巧、便攜、高效的特點,在環保領域掀起了一股科技創新的浪潮。WX-ZS5微型水質監測系統是一種集成了多種傳感器和數據處理技術的智能化設備。它能夠通過實時監測水質中的各項...