山東萬象環境科技有限公司
聯系人:毛經理
銷售電話:15666889815
銷售QQ:1950883583
公司地址:山東省濰坊高新區新城街道玉清社區光電路155號濰坊高新區光電產業加速器(一期)1號樓301

聯系人:毛經理
銷售電話:15666889815
銷售QQ:1950883583
公司地址:山東省濰坊高新區新城街道玉清社區光電路155號濰坊高新區光電產業加速器(一期)1號樓301

一、浮標式水質監測站產品簡介
浮標式水質監測站又稱浮標水質監測站,水質浮標監測站,浮標式水質監測站是一款能夠漂浮在水面上對水域環境進行實時監測的水文設備,能夠實時監測水溫、電導率、PH、溶解氧、氨氮等多種水質參數,具有安裝方便的特點,能夠幫助管理人員全面評估水質狀況,可廣泛應用于河流、湖泊、水庫、近海海域等多種水域環境使用。
1.水質浮漂監測站SFA集數據采集、存儲、傳輸和管理于一體的無人值守的采集系統。它在工農業生產、旅游、城市環境監測、地質災害、防洪、供水調度、電站水庫水情管理等為目的水文自動測報系統;功能強大的上位機軟件可遠程觀測實時水雨情信息,具有數據庫、報表、下載等功能,用戶還可利用該功能完善的氣象軟件對記錄的數據作進一步的處理分析。
2.SFA05款浮標是由水質傳感器(水溫、電導率、PH、溶解氧、氨氮)、數據采集儀、通訊系統、供電系統、整體 支架、水質監測平臺六部分組成。同時可擴展 濁度、COD、葉綠素等多項水質要素。數據采集儀具有數 據采集、實時時鐘、數據定時存儲、參數設定和標準2G/4G(GPRS)通信功能。
二、浮標式水質監測站產品特點
1.易部署:各類型探頭進行高度集成,安裝方便;提供免費云平臺服務,系統快速上線;
2.易維護:設備安裝后,自行工作即可,無需人工值守,也可以通過遠程監控的方式保障設備的正常運行;
3.易擴展:傳感器探頭均使用統一的通信協議,可以快速對接原設備,快速擴展監測參數;
4.低功耗:設備可以實現低功耗狀態下,長時間運行,增加設備使用的便利性;
5.實時性:設備監測到的數據實時傳輸至云平臺,提升環境數據反饋的及時性。
三、浮標式水質監測站技術參數
1. 主體參數
| 產品名稱 | 描述 |
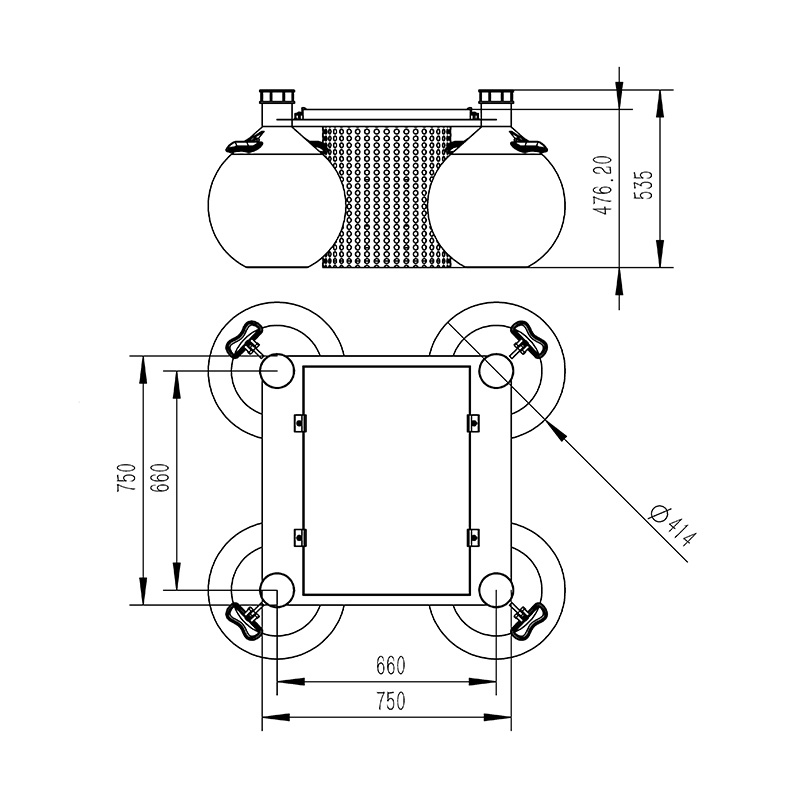
| 環境水質監測浮標 | 可實時實現多路參數在線監測。可實現電池電量監控。可實現云平臺數據監控、數據推送、數據的存儲和報警功能;數據的無線發射功能。峰值功耗為 5W;傳感器功耗 0.25W左右/只。外形尺寸:750mm*750mm*535mm。浮球直徑414mm重量:22kg |
| 采集器數據采集 | 運行可靠,抗干擾,可集成多路RS485/MODBUS-RTU從站設備 |
| 采集器數據輸出 | 1 路 Rs485/JSON協議輸出 |
| 電池 | 鋰電池 12VDC,20AH(默認) |
| 太陽能電池板 | 22.1V/50W(默認) |
| 供電能力 | 定制選型;陰雨天間歇工作 5天以上 |
| 位置指示(選配) | 警示燈;GPS 定位; |
| 監測平臺 | 云平臺;手機/電腦多終端登錄 |
| 防護罩 | 304 不銹鋼濾筒防護罩 |
| 浮體 | 直徑414mm 球形浮體*4工程塑料 |
2.可選配傳感器的主要參數
| 序號 | 名稱 | 測量范圍 | 測量原理 | 測量精度 | 是否標配 | 備注 |
| 1 | 溫度 | 0~50℃ | 高精度數字傳感器 | ±0.3℃ | ? | |
| 2 | pH | 0~14(ph) | 電化學(鹽橋) | ± 0.1PH | ? | |
| 3 | ORP | -1500mv~1500mv | 電化學(鹽橋) | ± 6mv | ||
| 4 | 電導率 | 0~5000uS/cm | 接觸式電極法 | ± 1.5% | ? | |
| 5 | 濁度 | 0~40NTU(低濁) | 散射光法 | ± 1% | 低濁可定制 | |
| 0~1000NTU(中濁) | 散射光法 | ± 1% | 中濁可定制 | |||
| 0~3000NTU(高濁) | 散射光法 | ± 1% | 默認發 | |||
| 6 | 溶解氧 | 0~20mg/L | 熒光壽命法 | ± 2% | ? | |
| 7 | 氨氮 | 0~100mg/l | 離子選擇電極法 | ±1mg | ? | |
| 8 | cod | 0~500mg/ L | UV254 吸收法 | ±5% | 帶有自動清潔器,可防止生物附著,避免光窗污染,以保證長期監測依然具有穩定性;可設置自動清潔時間及清潔次數,功耗0.7W | |
| 濁度 | 0~400NTU | 散射光法 | ± 1% | |||
| 9 | 懸浮物 | 0~2000mg/L | 散射光法 | ±5%(取決于污泥同質性) | ||
| 10 | 葉綠素 | 0~400ug/L | 熒光法 | R2>0.999 | 帶有自動清潔器,可防止生物附著,避免光窗污染,以保證長期監測依然具有穩定性;可設置自動清潔時間及清潔次數,功耗0.7W |
四、產品尺寸圖

五、設備安裝要求
1.遠離大功率無線電發射源
2.遠離高壓輸電線和微波無線電傳送通道
3.盡量靠近數據傳輸網絡
4.遠離強電磁干擾
六、云平臺介紹
1.CS架構軟件平臺,支持手機、PC瀏覽器直接觀測.無需額外安裝軟件。
2.支持多帳號、多設備登錄
3.支持實時數據展示與歷史數據展示儀表板
4.云服務器.云數據存儲,穩定可靠,易于擴展,負載均衡。
5.支持短信報警及閾值設置
6.支持地圖顯示、查看設備信息。
7.支持數據曲線分析
8.支持數據導出表格形式
9.支持數據轉發,HJ-212協議,TCP轉發,http協議等。
10.支持數據后處理功能
11.支持外置運行javascript腳本
WX-ZS06六參數水質在線分析儀能夠同時監測水質中的多個關鍵指標,如pH值、溶解氧、濁度、電導率、溫度等。這些參數是評估水質狀況的重要依據,對于及時發現并預警水質污染問題具有重要意義。通過實時監測,該儀器能夠迅速捕捉水質變化,為相關部門提供及時、準確的數據支持,從而采取有效措施保障水質安全。...
WX-LSZ06水產養殖監測站的核心作用在于實時監測水質參數。它利用先進的傳感技術和智能分析系統,能夠連續、準確地監測水中的水溫、電導率、PH、溶解氧、氨氮、濁度等關鍵指標。這些參數是衡量水質好壞的重要依據,直接關系到水生生物的生存環境和健康狀況。它能夠自動記錄水質參數的歷史數據,為養殖者提供全面的水質變化記錄。...
全自動值守是WX-YJ2降雨量自動監測站核心優勢,徹底扭轉了傳統人工測量的短板。以往人工測量降雨量需定時記錄,不僅耗時耗力,還難以覆蓋夜間、偏遠區域,存在監測空檔與誤差。而降雨量自動監測站可自主開展全天候監測,無需人工干預,精準捕捉每一場降雨的起止時間、強度變化,確保雨情數據不遺漏、不偏差。...
WX-SFB04高配款浮標四參數監測站采用了先進的材料科學和精密制造技術,使得設備在復雜多變的水域環境中能夠保持穩定的運行狀態。其獨特的結構設計使得監測站在風浪、水流等自然力的作用下,依然能夠保持精準的監測數據。同時,設備還具備優良的防腐蝕性能,能夠在長期的使用過程中抵御各種化學腐蝕,延長使用壽命。...
WX-SFB06浮標水質監測站是一種利用浮標作為載體,搭載各種水質監測傳感器和設備,對水質進行實時監測和數據分析的系統。它相較于傳統設備,具有顯著的優勢。浮標水質監測站的核心優勢在于其實時性、連續性和智能化。它能夠實時監測水質參數,如溶解氧、pH值、濁度、溫度等,并將數據傳輸至數據處理中心進行分析。...
WX-QSZ1取水水質監測微系統是一種集水質監測、數據采集、智能分析于一體的綜合性監測設備。其核心在于一體式柜機設計,將傳感器、數據采集模塊、智能分析系統等關鍵組件高度集成,實現了水質數據的實時監測與分析。該系統具有體積小、操作簡便、監測精度高等特點,廣泛應用于河流、湖泊、水庫等水源地的水質監測。...