山東萬象環境科技有限公司
聯系人:毛經理
銷售電話:15666889815
銷售QQ:1950883583
公司地址:山東省濰坊高新區新城街道玉清社區光電路155號濰坊高新區光電產業加速器(一期)1號樓301

聯系人:毛經理
銷售電話:15666889815
銷售QQ:1950883583
公司地址:山東省濰坊高新區新城街道玉清社區光電路155號濰坊高新區光電產業加速器(一期)1號樓301

一、漂浮式水質自動監測站產品簡介
漂浮式水質自動監測站又稱水質浮標站,漂浮水質監測站,漂浮式水質自動監測站采用360°圓形平臺,水下搭載營養鹽、ADCP和多數水質傳感器,水上可安裝多參數氣象、GPRS通信等系統,能夠實時監測水環境中水質的情況,為水環境保護提供有效監測
1.水質浮漂監測站SFA集數據采集、存儲、傳輸和管理于一體的無人值守的采集系統。它在工農業生產、旅游、城市環境監測、地質災害、防洪、供水調度、電站水庫水情管理等為目的水文自動測報系統;功能強大的上位機軟件可遠程觀測實時水雨情信息,具有數據庫、報表、下載等功能,用戶還可利用該功能完善的氣象軟件對記錄的數據作進一步的處理分析。
2.SFA06款浮標是由水質傳感器(水溫、電導率、PH、溶解氧、氨氮、濁度)、數據采集儀、通訊系統、供電系統、整體 支架、水質監測平臺六部分組成。同時可擴展COD、葉綠素、懸浮物等多項水質要素。數據采集儀具有數 據采集、實時時鐘、數據定時存儲、參數設定和標準2G/4G(GPRS)通信功能。
二、漂浮式水質自動監測站產品特點
1.易部署:各類型探頭進行高度集成,安裝方便;提供免費云平臺服務,系統快速上線;
2.易維護:設備安裝后,自行工作即可,無需人工值守,也可以通過遠程監控的方式保障設備的正常運行;
3.易擴展:傳感器探頭均使用統一的通信協議,可以快速對接原設備,快速擴展監測參數;
4.低功耗:設備可以實現低功耗狀態下,長時間運行,增加設備使用的便利性;
5.實時性:設備監測到的數據實時傳輸至云平臺,提升環境數據反饋的及時性。
三、技術參數
1. 主體參數
| 產品名稱 | 描述 |
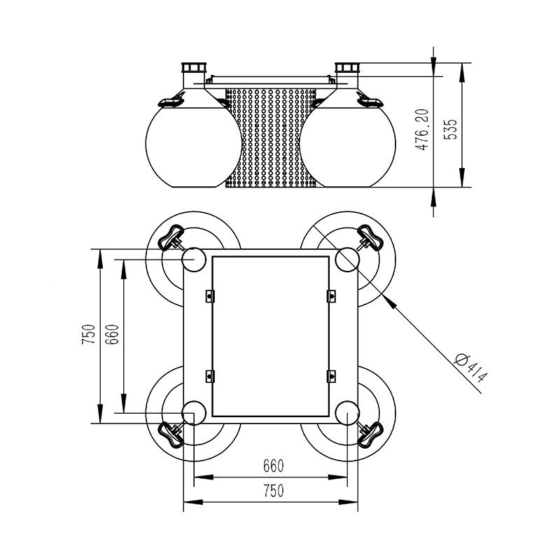
| 環境水質監測浮標 | 可實時實現多路參數在線監測。可實現電池電量監控。可實現云平臺數據監控、數據推送、數據的存儲和報警功能;數據的無線發射功能。峰值功耗為 5W;傳感器功耗 0.25W左右/只。外形尺寸:750mm*750mm*535mm。浮球直徑414mm重量:22kg |
| 采集器數據采集 | 運行可靠,抗干擾,可集成多路RS485/MODBUS-RTU從站設備 |
| 采集器數據輸出 | 1 路 Rs485/JSON協議輸出 |
| 電池 | 鋰電池 12VDC,20AH(默認) |
| 太陽能電池板 | 22.1V/50W(默認) |
| 供電能力 | 定制選型;陰雨天間歇工作 5天以上 |
| 位置指示(選配) | 警示燈;GPS 定位; |
| 監測平臺 | 云平臺;手機/電腦多終端登錄 |
| 防護罩 | 304 不銹鋼濾筒防護罩 |
| 浮體 | 直徑414mm 球形浮體*4工程塑料 |
2.可選配傳感器的主要參數
| 序號 | 名稱 | 測量范圍 | 測量原理 | 測量精度 | 是否標配 | 備注 |
| 1 | 溫度 | 0~50℃ | 高精度數字傳感器 | ±0.3℃ | ? | |
| 2 | pH | 0~14(ph) | 電化學(鹽橋) | ± 0.1PH | ? | |
| 3 | ORP | -1500mv~1500mv | 電化學(鹽橋) | ± 6mv | ||
| 4 | 電導率 | 0~5000uS/cm | 接觸式電極法 | ± 1.5% | ? | |
| 5 | 濁度 | 0~40NTU(低濁) | 散射光法 | ± 1% | 低濁可定制 | |
| 0~1000NTU(中濁) | 散射光法 | ± 1% | 中濁可定制 | |||
| 0~3000NTU(高濁) | 散射光法 | ± 1% | ? | 默認發 | ||
| 6 | 溶解氧 | 0~20mg/L | 熒光壽命法 | ± 2% | ? | |
| 7 | 氨氮 | 0-1000.00mg/L(默認) 0-100.00mg/l/(可定制) | 離子選擇電極法 | 讀數的10%, ±0.5℃ | ? | |
| 8 | cod | 0~500mg/ L | UV254 吸收法 | ±5% | 默認發、cod濁度一體;帶有自動清潔器,可防止生物附著,避免光窗污染,以保證長期監測依然具有穩定性;可設置自動清潔時間及清潔次數,功耗0.7W | |
| 濁度 | 0~400NTU | 散射光法 | ± 1% | |||
| 9 | 懸浮物 | 0~2000mg/L | 散射光法 | ±5%(取決于污泥同質性) | ||
| 10 | 葉綠素 | 0~400ug/L | 熒光法 | R2>0.999 | 帶有自動清潔器,可防止生物附著,避免光窗污染,以保證長期監測依然具有穩定性;可設置自動清潔時間及清潔次數,功耗0.7W |
四、產品尺寸圖

五、設備安裝要求
1.遠離大功率無線電發射源
2.遠離高壓輸電線和微波無線電傳送通道
3.盡量靠近數據傳輸網絡
4.遠離強電磁干擾
六、云平臺介紹
1.CS架構軟件平臺,支持手機、PC瀏覽器直接觀測.無需額外安裝軟件。
2.支持多帳號、多設備登錄
3.支持實時數據展示與歷史數據展示儀表板
4.云服務器.云數據存儲,穩定可靠,易于擴展,負載均衡。
5.支持短信報警及閾值設置
6.支持地圖顯示、查看設備信息。
7.支持數據曲線分析
8.支持數據導出表格形式
9.支持數據轉發,HJ-212協議,TCP轉發,http協議等。
10.支持數據后處理功能
11.支持外置運行javascript腳本
WX-ML1多普勒明渠流量監測系統最特別的地方,就是能捕捉到水流中看不見的變化。平時我們看到明渠里的水流平穩流淌,卻不知道它的流量可能在悄悄變化,這些細微的變化肉眼無法分辨,也難以用普通方法捕捉,而它卻能敏銳感知,精準掌握水流流量的波動,不用人工反復測量,就能輕松摸清明渠水流的真實情況。...
WX-SS7便攜式電導率測定儀是一款設計精巧、便于攜帶的儀器,主要用于測試水溶液的電導率參數。電導率,作為衡量水質純凈度的重要指標之一,能夠反映水中溶解性鹽類的含量,從而幫助我們了解水質的整體狀況。而全數字電極技術,則是通過數字信號處理和微處理器控制,將傳統的化學電極轉換成數字電阻器和數字電容器,利用電流、電壓、電阻和電容等參數進行水質分析和監測。...
WX-GSZ二次供水在線監測設備最獨特之處在于它們的"先知先覺",當管網壓力剛剛出現波動時,它們已經記錄下這一異常;當水質指標開始偏離安全范圍時,它們能立即發出警示。這種"見微知著"的能力,讓供水管理從事后處置轉向了事前預防。水務人員不再需要等到用戶投訴才排查問題,而是可以根據實時數據提前干預,為居民守護每一滴水的安全。...
WX-S6在線ORP傳感器是一種能夠實時監測水體氧化還原電位的設備。它通過測量水體中氧化還原反應的強度,來判斷水質的污染程度、生物活性以及水體中的氧化還原環境。相比于傳統的離線檢測方法,在線ORP傳感器具有實時性、連續性和遠程監控等特點,能夠為我們提供更加全面、準確的水質數據。在線ORP傳感器能夠實時監測水體中的氧化還原電位變化,從而判斷水體是否受到污染。...
WX-ZS10在線懸浮物測試儀是一種能夠實時、連續監測水體中懸浮物濃度的先進設備。這些懸浮物包括泥沙、有機物顆粒、微生物等,它們的含量直接影響到水體的清澈度、透明度及生物活性。傳統水質監測往往依賴人工采樣、實驗室分析,過程繁瑣且時效性差。而在線懸浮物測試儀的出現,徹底改變了這一現狀。它采用先進的光學或聲學原...
WX-LSZ05微型水質監測站的一大顯著優點就是其小巧便攜的設計。與傳統的水質監測設備相比,它體積小巧、重量輕,無需復雜的安裝過程,即可快速部署到河流、湖泊、水池等各類水體中。這種便捷性不僅降低了安裝成本,還使得監測工作更加靈活高效。無論是在城市的水源地,還是在偏遠的農村地區,微型水質監測站都能輕松應對,為水質安全保駕護航。...